98 Dodge Ram 1500 Speaker Wiring Diagram / 2001 Dodge Ram 1500 Stereo Wiring Diagram : Wire out amp 98 01 dodge ram rob blank.

98 Dodge Ram 1500 Speaker Wiring Diagram / 2001 Dodge Ram 1500 Stereo Wiring Diagram : Wire out amp 98 01 dodge ram rob blank.. 97c3b5 98 dodge ram 3500 speaker wiring diagram wiring. 1989 dodge ram fuel filter location wiring diagrams. 2005 chrysler 300 fuse box diagram u2014 untpikapps. Can i get the wiring diagram for the radio in a 2003 dodge. A diagram of all the wires and w.author:

I need a wiring diagram for a 2005 ram 1500 qua. Wiring diagram consists of many in depth illustrations that present the relationship of assorted things. Sometimes, the cables will cross. 2017+ dodge ram 1500 (ds) electrical wiring diagrams. 2005 dodge ram 1500 tail light wiring diagram.

98 Dodge Ram Speaker Wiring - Wiring Diagram Networks
98 Dodge Ram Speaker Wiring - Wiring Diagram Networks from i1.wp.com
2004 dodge ram 1500 car radio stereo audio wiring diagramcar radio battery constant 12v+ wire: 2005 chrysler 300 fuse box diagram u2014 untpikapps. A diagram of all the wires and w.author: These manuals are used in the inspection and repair of electrical circuits. Dodge dakota 1996 wiring diagrams sch service manual. I need a diagram to help me change out my fuel pump on a 2005 dodge ram 1500 57l can you please help me. The diagram offers visual representation of the electrical structure. You might be a professional who wants to seek recommendations or resolve existing problems.

Jeep cherokee headlight switch wiring diagram.

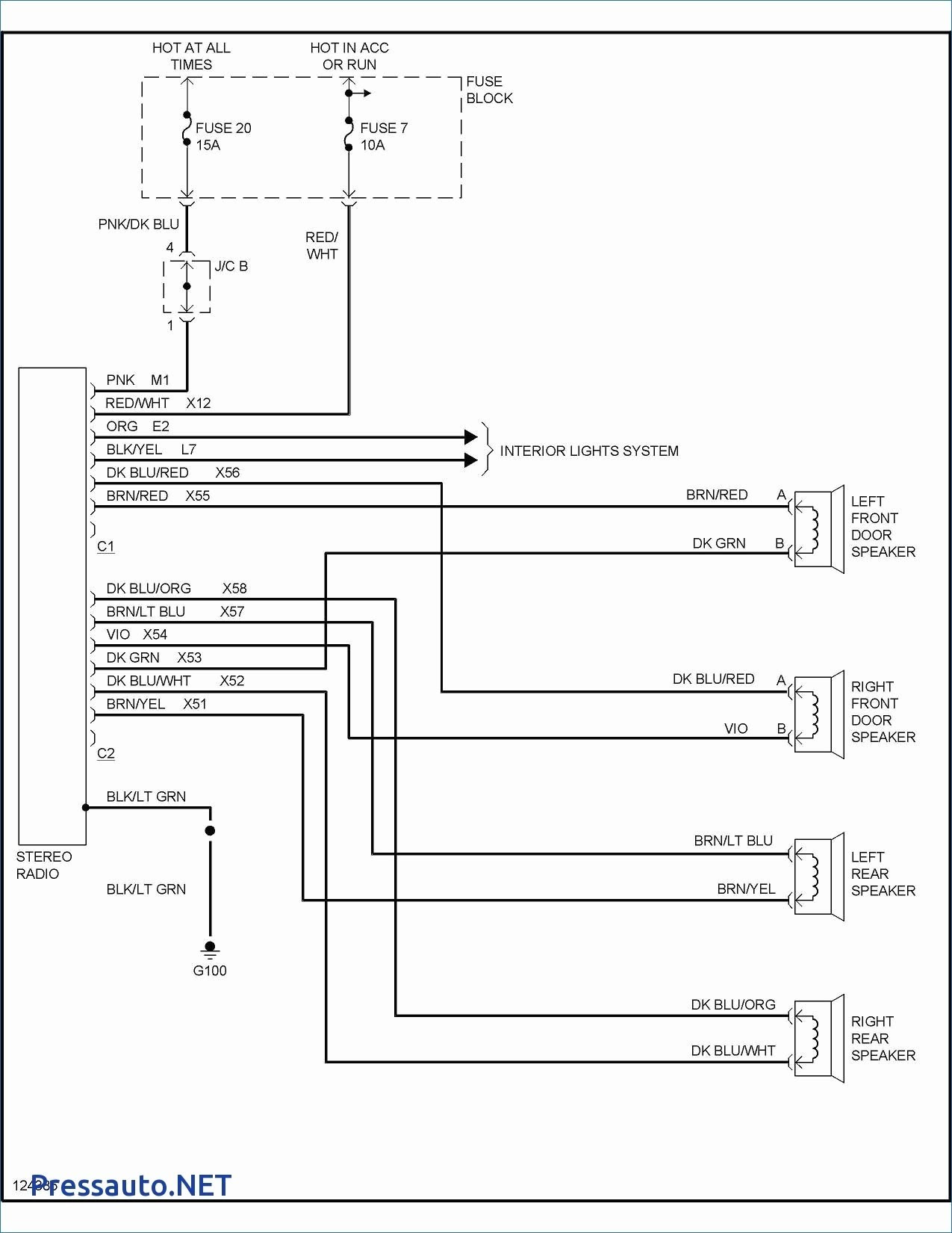
Ase certified automotive parts specialist ; I have a 2003 dodge ram 1500 quad cab and the driverside rear speaker and electric door lock does not work can you tell me if there is a wire splice or conector that could cause this?… read were can i find the wiring diagram for the speakers wiring for a 07 dodge ram 1500 quad cab.… read more. Ram 1500 1998 automobile pdf manual download. 2004 dodge ram 1500 car radio stereo audio wiring diagramcar radio battery constant 12v+ wire: Who dat nation i have found a site that has most of the vehicles on the road today, all makes & models by year, worth book marking car stereo wiring diagrams * car. 98 dakota radio wiring wiring diagram images gallery. Dodge wiring colors and locations. 25 best truck wiring images trailer wiring diagram dodge car stereo pioneer deh 1900mp wiring pin on wire wiring diagram club k home page 1982 kp61 dash wiring proline car stereo wiring new speaker wire to ram 1500 doors smooth pulls cold glue and traditional pdr glue pulling tutorial. Read or download dodge ram 1500 radio for free wiring diagram at ijae.in. You can find these at other stores locally too. And we also consider you arrived here were looking for these records, are not you? I have taken a couple of the diagrams from other if you look at the right rear speaker (+), its coming from connector 1(c1), from pin 21 (21). Af wiring diagram for a 1996 ram 2500 v10 automatic 4x4.

Jeep cherokee headlight switch wiring diagram. I need a wiring diagram for a 2005 ram 1500 qua. Will post on anything car audio including sub woofer. Dodge dakota 1996 wiring diagrams sch service manual. It appears that i have i have a 98 dodge ram 1500 i bought a jvc stereo i can get the back speakers to work but not the front.

Dodge Ram 1500 Wiring Diagram | Wiring Diagram
Dodge Ram 1500 Wiring Diagram | Wiring Diagram from 2020cadillac.com
2005 chrysler 300 fuse box diagram u2014 untpikapps. Diagram as well dodge ram headlight wiring diagram likewise dodge. 130 getting to know your vehicle. Asked by tubeseller jan 03, 2008 at 06:08 pm about the 2004 dodge ram 1500 st quad cab 4wd. 2014+ dodge dart (1.4l/2.0l/2.4l) system wiring diagrams. 2005 dodge ram 1500 tail light wiring diagram. Jeep cherokee headlight switch wiring diagram. 98 dakota radio wiring wiring diagram images gallery.

I have taken a couple of the diagrams from other if you look at the right rear speaker (+), its coming from connector 1(c1), from pin 21 (21).

Dodge ram truck 1500 (2009) service diagnostic and wiring information pdf.rar. I have taken a couple of the diagrams from other if you look at the right rear speaker (+), its coming from connector 1(c1), from pin 21 (21). Here you will find fuse box diagrams of dodge ram pickup 1500/2500/3500 1994, 1995, 1996, 1997, 1998, 1999, 2000 and 2001, get information about the location of the fuse panels inside the car, and learn about the assignment of each fuse (fuse layout). You might be a professional who wants to seek recommendations or resolve existing problems. The diagram offers visual representation of the electrical structure. Read or download dodge ram 1500 van for free wiring diagrams at jep.mooshak.in. Will post on anything car audio including sub woofer. Ram 1500 1998 automobile pdf manual download. 2002 dodge ram 1500 light wiring diagram new 2001 dodge ram wiring. 2006 dodge ram 1500 parking light wiring diagram valid 99 dodge ram. A diagram of all the wires and w.author: 97c3b5 98 dodge ram 3500 speaker wiring diagram wiring. It appears that i have i have a 98 dodge ram 1500 i bought a jvc stereo i can get the back speakers to work but not the front.

I have taken a couple of the diagrams from other if you look at the right rear speaker (+), its coming from connector 1(c1), from pin 21 (21). All automotive fuse box diagrams in one place. For sale dodge ram 1500 van high top etc. 98 chevy 1500 starter wiring diagram. 2002 dodge ram 1500 light wiring diagram new 2001 dodge ram wiring.

98 Dodge Ram 1500 Speaker Wiring Diagram - Wiring Diagram Networks
98 Dodge Ram 1500 Speaker Wiring Diagram - Wiring Diagram Networks from lh3.googleusercontent.com
Building circuitry diagrams reveal the approximate areas and also affiliations of receptacles, lights, and also irreversible electric solutions in a building. Ram 1500 1998 automobile pdf manual download. N/aleft front speaker positive wire (+): 25 best truck wiring images trailer wiring diagram dodge car stereo pioneer deh 1900mp wiring pin on wire wiring diagram club k home page 1982 kp61 dash wiring proline car stereo wiring new speaker wire to ram 1500 doors smooth pulls cold glue and traditional pdr glue pulling tutorial. Can i get the wiring diagram for the radio in a 2003 dodge. Subscribe for more videos on how to customize your vehicle.any requests, just send me a message. Dodge wiring colors and locations. A diagram of all the wires and w.author:

2014+ dodge dart (1.4l/2.0l/2.4l) system wiring diagrams.

Wire out amp 98 01 dodge ram rob blank. Hey i was looking around here and still have not found the right wiring diagram that fits my 06 ram 1500 quad cab. Heres how to figure it out. Wall occupancy sensor wiring diagram free picture. Hello, i have a 1998 dodge ram 1500 with the stock am/fm/cassette 4 speaker system. It appears that i have i have a 98 dodge ram 1500 i bought a jvc stereo i can get the back speakers to work but not the front. 98 chevy 1500 starter wiring diagram. Glad you posted what colors you do have , cause 2 resources didn't match ,actually 3 , i did find a match to your stereo wire harness dodge ram pickup 98 99 00 01 car radio wiring. Attach the hook to the center tether strap loop (see diagram). 1989 dodge ram fuel filter location wiring diagrams. 25 best truck wiring images trailer wiring diagram dodge car stereo pioneer deh 1900mp wiring pin on wire wiring diagram club k home page 1982 kp61 dash wiring proline car stereo wiring new speaker wire to ram 1500 doors smooth pulls cold glue and traditional pdr glue pulling tutorial. For sale dodge ram 1500 van high top etc. Pinkcar radio accessory switched 12v+ wire speakers size:

Iklan Atas Artikel

Iklan Tengah Artikel 1

Iklan Tengah Artikel 2

Iklan Bawah Artikel