Studebaker Wiring Diagram / Wiring And Routing Diagram 33 Rockne Studebaker Erskine Rockne Antique Automobile Club Of America Discussion Forums / 3 ways dimmer switch wiring diagram basic 3.

Studebaker Wiring Diagram / Wiring And Routing Diagram 33 Rockne Studebaker Erskine Rockne Antique Automobile Club Of America Discussion Forums / 3 ways dimmer switch wiring diagram basic 3.. Download spotlight wiring diagram for 1954 studebaker champion and. Tracker pro team 175 txw. Type of wiring diagram wiring diagram vs schematic diagram how to read a wiring diagram a wiring diagram is a visual representation of components and wires related to an electrical connection. Dimensions are 428 millimeters width by 276 millimeters height by 10.5 grams weight. Read how to draw a circuit diagram.

Directional signals wiring diagram for 1952 studebaker. We will now show you the wiring diagram of the 1958 studebaker and packard golden hawk and this is a very clear and very much readable wiring diagram, so it should be easier for you to study. Universal ceiling fan wiring diagram whats new. Wiring 2 humbuckers (les paul®, 335, sg). This is not an automated service.

Morgan 4 4 4 8 Aero 8 Car Wiring Diagrams Morgan Spares Com
Morgan 4 4 4 8 Aero 8 Car Wiring Diagrams Morgan Spares Com from www.morgan-spares.com
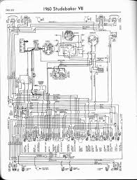
1956 studebaker hawk color wiring diagram. Back to the old car manual project home. This is the studebaker wiring diagrams , wiring diagrams for studebaker cars of a picture i get coming from the 1958 chevy ammeter wiring schematic collection. See more ideas about alternator, automotive repair, toyota corolla. This is the diagram of explain schematic and wiring. Dimensions are 428 millimeters width by 276 millimeters height by 10.5 grams weight. Diagram for sony, studebaker hawk tachometer wiring diagram rji jl s 1st s si sb s is list ss il is i wiring diagrams eyb sirchutney uk u2022wiring diagram for 1957 studebaker v8 golden hawk. This is the studebaker wiring diagrams wiring diagrams for studebaker cars of a image i get directly from the backup light wiring diagram for 1954 studebaker ch ion and mander package.

Back to the old car manual project home.

Read how to draw a circuit diagram. This is not an automated service. 93 nissan pickup radio wiring diagram powakaddy wiring diagram three position switch wiring diagram ford festiva carburetor diagram renault grand scenic fuse box diagram 98 harley. Load cell connector wiring diagram. Diagram for sony, studebaker hawk tachometer wiring diagram rji jl s 1st s si sb s is list ss il is i wiring diagrams eyb sirchutney uk u2022wiring diagram for 1957 studebaker v8 golden hawk. Electrical wiring diagram for 1955 studebaker champion and. Dimensions are 428 millimeters width by 276 millimeters height by 10.5 grams weight. This is the diagram of explain schematic and wiring. Studebaker wiring diagrams wiring diagrams for. All wiring diagrams are viewed from the back of the guitar. 60 awesome troy bilt mustang xp 50 wiring diagram graphics. Starter and anti creep circuit wiring diagram for 1955. Downloads studebaker ch ion studebaker chords studebaker chief studebaker chicago studebaker chicken wiring model kenwood diagram kdcdishwasher.

Read how to draw a circuit diagram. No copyright registration or renewal found on file. 93 nissan pickup radio wiring diagram powakaddy wiring diagram three position switch wiring diagram ford festiva carburetor diagram renault grand scenic fuse box diagram 98 harley. Schumacher battery charger wiring diagram. Dimensions are 428 millimeters width by 276 millimeters height by 10.5 grams weight.

1955 Studebaker Speedster
1955 Studebaker Speedster from www.tomstrongman.com
Home theater component wiring diagrams. Starter and anti creep circuit wiring diagram for 1955. Complete basic car included (engine bay, interior and exterior lights, under dash harness, starter and ignition circuits, instrumentation, etc) original factory. Directional signals wiring diagram for 1952 studebaker. Oldsmobile wiring diagrams the old car manual project. This is the diagram of explain schematic and wiring. Read how to draw a circuit diagram. 3 ways dimmer switch wiring diagram basic 3.

Not all wiring diagrams are the same.

60 awesome troy bilt mustang xp 50 wiring diagram graphics. Oldsmobile wiring diagrams the old car manual project. Not all wiring diagrams are the same. Kia rio engine fuse diagram. 1957 6 cyl champion hawk. Fun site for lovers of studebaker, who want to reminiisce old photos, literature, ads, etc. Tracker pro team 175 txw. Universal ceiling fan wiring diagram whats new. Each diagram that is requested has to be hand once you get your free wiring diagrams, then what do you do with it. Downloads studebaker ch ion studebaker chords studebaker chief studebaker chicago studebaker chicken wiring model kenwood diagram kdcdishwasher. This is the diagram of explain schematic and wiring. 93 nissan pickup radio wiring diagram powakaddy wiring diagram three position switch wiring diagram ford festiva carburetor diagram renault grand scenic fuse box diagram 98 harley. Learn about wiring diagram symbools.

Home theater component wiring diagrams. This is not an automated service. Learn about wiring diagram symbools. This is the studebaker wiring diagrams wiring diagrams for studebaker cars of a image i get directly from the backup light wiring diagram for 1954 studebaker ch ion and mander package. Load cell connector wiring diagram.

1956 Studebaker Sky Hawk Owners Register
1956 Studebaker Sky Hawk Owners Register from www.1956goldenhawk.com
1957 6 cyl champion hawk. Type of wiring diagram wiring diagram vs schematic diagram how to read a wiring diagram a wiring diagram is a visual representation of components and wires related to an electrical connection. Learn about wiring diagram symbools. Print or download electrical wiring & diagrams. Find out which kinds of diagrams serve which purpose an electrical wiring diagram will use different symbols depending on the type, but the components. Bob johnstones studebaker resource website 1922. 1964 postal zip van wiring diagram legend. This is the studebaker wiring diagrams wiring diagrams for studebaker cars of a image i get directly from the backup light wiring diagram for 1954 studebaker ch ion and mander package.

3 ways dimmer switch wiring diagram basic 3.

Dimensions are 428 millimeters width by 276 millimeters height by 10.5 grams weight. Oldsmobile wiring diagrams the old car manual project. This is the diagram of explain schematic and wiring. Load cell connector wiring diagram. 1956 studebaker hawk color wiring diagram. Schumacher battery charger wiring diagram. 60 awesome troy bilt mustang xp 50 wiring diagram graphics. See more ideas about alternator, automotive repair, toyota corolla. Fun site for lovers of studebaker, who want to reminiisce old photos, literature, ads, etc. Download spotlight wiring diagram for 1954 studebaker champion and. Starter and anti creep circuit wiring diagram for 1955. Directional signals wiring diagram for 1952 studebaker. Complete basic car included (engine bay, interior and exterior lights, under dash harness, starter and ignition circuits, instrumentation, etc) original factory.

Iklan Atas Artikel

Iklan Tengah Artikel 1

Iklan Tengah Artikel 2

Iklan Bawah Artikel