Mazda 5 Wiring Diagram Pdf - Mazda MX5 Miata 2008-2009 Service Manuals | Auto Repair Manual Forum - Heavy Equipment Forums ... / Contents general information engine (1 of 5) engine (2 of 5) engine (3…

Mazda 5 Wiring Diagram Pdf - Mazda MX5 Miata 2008-2009 Service Manuals | Auto Repair Manual Forum - Heavy Equipment Forums ... / Contents general information engine (1 of 5) engine (2 of 5) engine (3…. Owners manuals, service and repair manuals, electric wire diagrams and other information. For proper repair and maintenance. 1991 mazda 323 injection engine. Hand full of mazda wiring diagrams enjoy rep+thanks=password in pm. Wiring diagrams mazda by model.

With this mazda 5 workshop manual, you can perform every job that could be done by mazda garages and mechanics from Actual vehicle wiring may vary slightly depending on optional equipment or local specifications, or both. To help ensure enjoyable and. Me podrias pasar el diagrama de cadena del tiempo de rav 4 injection_pump: Servicing a vehicle can be dangerous.

Manual pages - MX5 Manual | Mazda MX5 (Mk4) 2015+
Manual pages - MX5 Manual | Mazda MX5 (Mk4) 2015+ from www.mx5manual.com
Mazda 3 fl 2006 wiring diagram.rar. Mazda 5 service manual?what is mazda 5 service manual?these mazda 5 service manuals contains detailed information on how to diagnose various model faults and the. 1991 mazda 323 injection engine. Getting the books mazda5 user manual now is not type of inspiring means. M azda m otor c orporation reserves the right. Contents general information engine (1 of 5) engine (2 of 5) engine (3… Me podrias pasar el diagrama de cadena del tiempo de rav 4 injection_pump: With this mazda 5 workshop manual, you can perform every job that could be done by mazda garages and mechanics from

Mazda 5 workshop manuals contains a description of repair, diagnostics, diagnostic trouble codes, repair of engines and transmissions, electrical wiring diagrams.

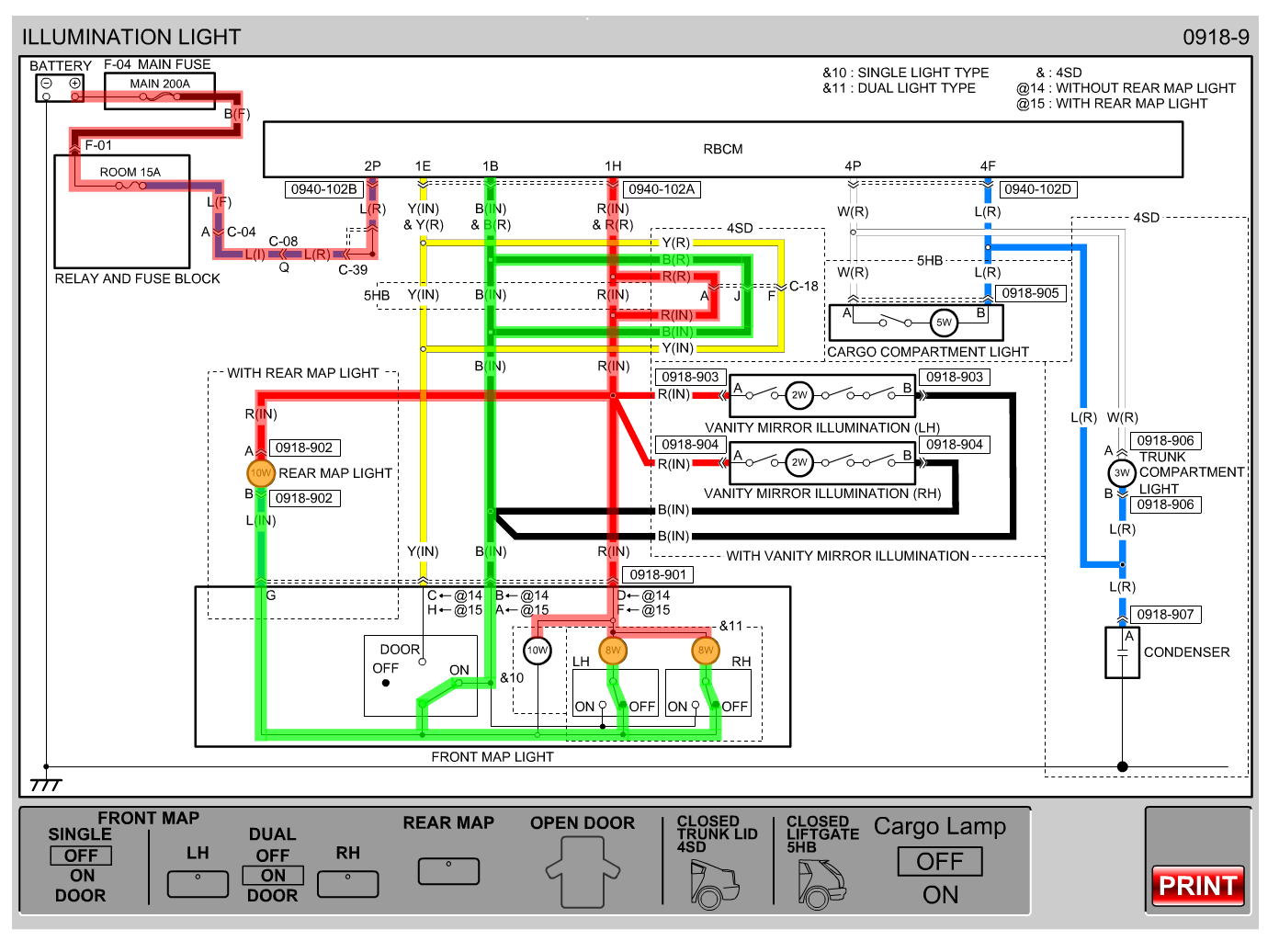
This wiring diagram incorporates the wiring schematics of the mazda5 and available optional equipment. We at mazda design and build vehicles with complete customer satisfaction in mind. Hand full of mazda wiring diagrams enjoy rep+thanks=password in pm. This webpage contains mazda 5 2005 misc documents wiring diagram pdf used by mazda garages, auto repair shops, mazda dealerships and home mechanics. Mazda 3 fl 2006 wiring diagram.rar. Mazda 5 service manual?what is mazda 5 service manual?these mazda 5 service manuals contains detailed information on how to diagnose various model faults and the. Each mazda repair manual contains the detailed description of works and wiring diagrams. Carmanualshub.com automotive pdf manuals, wiring diagrams, fault codes, reviews, car manuals and news! For 2016 and newer models (except 2016 mazda3) new online manuals are also available, viewable on desktop, tablet and mobile devices. 5 automobile pdf manual download. John deere 2000 series tractors sm2036 service manual pdf repair guides. Auto service repair manuals and wiring diagrams. A ll in fo rm a tio n in th is b o o k le t is based on in fo rm a tio n a v a ila b le at the tim e of p rin tin g.

Me podrias pasar el diagrama de cadena del tiempo de rav 4 injection_pump: For 2016 and newer models (except 2016 mazda3) new online manuals are also available, viewable on desktop, tablet and mobile devices. Each mazda repair manual contains the detailed description of works and wiring diagrams. The most complete guide to free oline auto repair manuals and free auto repair diagrams on the web. Looking for a free mazda 5 haynes / mazda 5 chilton manuals?

Mazda 6 2.5L 2015 Wiring Diagram | Auto Repair Manual Forum - Heavy Equipment Forums - Download ...
Mazda 6 2.5L 2015 Wiring Diagram | Auto Repair Manual Forum - Heavy Equipment Forums - Download ... from img.autorepairmanuals.ws
1991 mazda 323 injection engine. Mazda 5 2006 service highlights.pdf. Mazda 5 transmission data service manual pdf. Mazda 2009 mazda5 owner's manual pdf download | view and download mazda 2009 mazda5 owner's manual online. Mazda 5 ts wiring diagram. Carmanualshub.com automotive pdf manuals, wiring diagrams, fault codes, reviews, car manuals and news! This information outlines the wires location, color and polarity to help you identify. Rear wiper and washer wiring diagram.

A ll in fo rm a tio n in th is b o o k le t is based on in fo rm a tio n a v a ila b le at the tim e of p rin tin g.

Mazda 5 ts wiring diagram. For proper repair and maintenance. M azda m otor c orporation reserves the right. This wiring diagram incorporates the wiring schematics of the mazda5 and available optional equipment. Actual vehicle wiring may vary slightly depending on optional equipment or local specifications, or both. For 2016 and newer models (except 2016 mazda3) new online manuals are also available, viewable on desktop, tablet and mobile devices. We at mazda design and build vehicles with complete customer satisfaction in mind. Carmanualshub.com automotive pdf manuals, wiring diagrams, fault codes, reviews, car manuals and news! Rear wiper and washer wiring diagram. Plik mazda5 wiring diagram 1.pdf na koncie użytkownika aron1966 • folder mazda 5 • data dodania: To help ensure enjoyable and. Servicing a vehicle can be dangerous. Mazda 5 transmission data service manual pdf.

With this mazda 5 workshop manual, you can perform every job that could be done by mazda garages and mechanics from Wiring diagrams mazda by model. Each mazda repair manual contains the detailed description of works and wiring diagrams. Contents general information engine (1 of 5) engine (2 of 5) engine (3… Me podrias pasar el diagrama de cadena del tiempo de rav 4 injection_pump:

Manual pages - MX5 Manual | Mazda MX5 (Mk4) 2015+
Manual pages - MX5 Manual | Mazda MX5 (Mk4) 2015+ from www.mx5manual.com
Click here for vehicle manuals for all mazda models, from 2001 to the newest cars. Getting the books mazda5 user manual now is not type of inspiring means. The most complete guide to free oline auto repair manuals and free auto repair diagrams on the web. Owners manuals, service and repair manuals, electric wire diagrams and other information. To help ensure enjoyable and. For proper repair and maintenance. With this mazda 5 workshop manual, you can perform every job that could be done by mazda garages and mechanics from This wiring diagram incorporates the wiring schematics of the mazda5 and available optional equipment.

Mazda 2009 mazda5 owner's manual pdf download | view and download mazda 2009 mazda5 owner's manual online.

Mazda 5 workshop manuals contains a description of repair, diagnostics, diagnostic trouble codes, repair of engines and transmissions, electrical wiring diagrams. Mazda 5 brakes and suspension pdf. Rear wiper and washer wiring diagram. M azda m otor c orporation reserves the right. Mazda 5 2006 service highlights.pdf. Getting the books mazda5 user manual now is not type of inspiring means. Carmanualshub.com automotive pdf manuals, wiring diagrams, fault codes, reviews, car manuals and news! This webpage contains mazda 5 2005 misc documents wiring diagram pdf used by mazda garages, auto repair shops, mazda dealerships and home mechanics. For proper repair and maintenance. This information outlines the wires location, color and polarity to help you identify. John deere 2000 series tractors sm2036 service manual pdf repair guides. Actual vehicle wiring may vary slightly depending on optional equipment or local specifications, or both. 1991 mazda 323 injection engine.

Iklan Atas Artikel

Iklan Tengah Artikel 1

Iklan Tengah Artikel 2

Iklan Bawah Artikel