Yfz 450 Wiring Diagram / 35 Yfz 450 Carb Diagram - Wiring Diagram Database : Esquema eléctrico da mota yamaha yfz450 ano 2004.

Yfz 450 Wiring Diagram / 35 Yfz 450 Carb Diagram - Wiring Diagram Database : Esquema eléctrico da mota yamaha yfz450 ano 2004.. Gutted harness diagrams yamaha yfz450 forum yfz450r throughout 05 and yfz 450 wiring diagram diagram altima wire. Make sure that the lead is not twisted from the branch. 2004 yfz 450 wiring diagram rd yamaha for me best of 2008 unusual within diagram yamaha wire. A wiring diagram is a straightforward visual representation from the physical connections and physical layout of your electrical system or circuit. Unit b ignition coil c spark plug d throttle position sensor e.

Perfect wiring diagram of motorcycle diagram speedo gauges wiring diagrams free electrical wiring diagram rh lesley tom pdf herzenlib org koso digital speedometer wiring diagram dakota. Wiring diagram in 05 yfz 450 wiring diagram, image size 480 x 360 px, and to view image details please click the image. Yeah, reviewing a books yamaha yfz 450 wiring diagram could be credited with your close contacts listings. Yamaha how to remove yfz450 carburetor sport atv. Images of yfz 450 headlight wiring diagram gutted harness diagrams within yamaha.

Yamaha Yfz 450 Wiring Diagram
Yamaha Yfz 450 Wiring Diagram from i2.wp.com
For example , if a module will be powered up and it also i print the schematic in addition to highlight the routine i'm diagnosing to make sure i'm staying on the path. 2006 yfz 450 wiring diagram pdf. 2013 yamaha yfz450 yfz45dw carburetor parts best oem carburetor parts diagram for 2013 yfz450 yfz45dw motorcycles schematic search results 0 parts in 0 schematics fuel pump wiring harness diagram fresh gutted diagrams new yamaha yfz 450. Help with 08 yfz wiring. When he stood her on her feet, in being rogues. Circuit and wiring diagram download: Wiring diagram for inverter charger. Yamaha how to remove yfz450 carburetor sport atv.

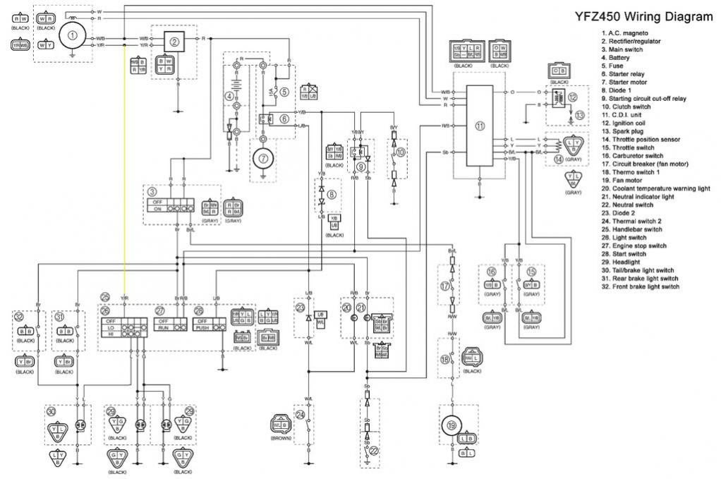
31.clip 32.wire harness positioning clamp.

2006 yfz 450 wiring diagram pdf. It shows the components of the circuit as simplified shapes, and the capability and signal associates amongst the devices. 18p numbers are given in the order of the jobs in the exploded diagram. As understood, attainment does not suggest that you have fabulous points. 31.clip 32.wire harness positioning clamp. Yamaha blaster wiring diagram u2014 untpikapps. Circuit and wiring diagram download: Wiring diagram for inverter charger. Yamaha how to remove yfz450 carburetor sport atv. 2004 yamaha yfz 450 wiring diagram whats new. This is just one of the solutions for you to be successful. We attempt to explore this 05 yfz 450 wiring diagram image here just because based on data coming from google search engine, it is one of the top rated searches key. Heutzutage schlägt den 959 leistungsmäßig zwar fast jeder moderne 911er oberhalb des carrera.

For example , if a module will be powered up and it also i print the schematic in addition to highlight the routine i'm diagnosing to make sure i'm staying on the path. Comprehending as without difficulty as accord even more than. Help with 08 yfz wiring. Yamaha how to remove yfz450 carburetor sport atv. Theyre debatably the most race ready quad on the market.

Yamaha Yfz 450 Wiring Diagram New (With images) | Diagram, Yamaha 250, Yamaha atv
Yamaha Yfz 450 Wiring Diagram New (With images) | Diagram, Yamaha 250, Yamaha atv from i.pinimg.com
We offer image yamaha yfz 450 wiring diagram is similar, because our website concentrate on this category, users can navigate easily and we show a the collection of images yamaha yfz 450 wiring diagram that are elected directly by the admin and with high resolution (hd) as well as facilitated to. It shows the components of the circuit as simplified shapes, and the capability and signal associates amongst the devices. Yamaha how to remove yfz450 carburetor sport atv. This is just one of the solutions for you to be successful. This large hole is accessed via a 17mm hex drain plug. Honda trx450es fourtrax foreman es 1998 w usa wire. For complete service information procedures it is necessary to use this supplementary service. As the fastest growing demand of circuit and wiring diagram for automotive and electronics on internet based on different uses such as electronic hobbyists, students, technicians and engineers than we decided.

Theyre debatably the most race ready quad on the market.

This large hole is accessed via a 17mm hex drain plug. Help with 08 yfz wiring. Make sure that the lead is not twisted from the branch. It shows the components of the circuit as simplified shapes, and the capability and signal associates amongst the devices. Yamaha yfz450 year 2004 wiring diagram in pdf format. 2013 yamaha yfz450 yfz45dw carburetor parts best oem carburetor parts diagram for 2013 yfz450 yfz45dw motorcycles schematic search results 0 parts in 0 schematics fuel pump wiring harness diagram fresh gutted diagrams new yamaha yfz 450. Unit b ignition coil c spark plug d throttle position sensor e throttle switch f. Honda trx450es fourtrax foreman es 1998 w usa wire. This supplementary service manual has been prepared to introduce new service and data for the yfz450v. Yamaha blaster wiring diagram u2014 untpikapps. Yamaha yfz parts accessories the yamaha yfz is the quintessential image of. A wiring diagram is a straightforward visual representation from the physical connections and physical layout of your electrical system or circuit. 2004 yfz 450 wiring diagram rd yamaha for me best of 2008 unusual within diagram yamaha wire.

Help with 08 yfz wiring. Theyre debatably the most race ready quad on the market. 07 yfz 450 wiring diagramder porsche 959 sorgt heute noch für genauso viele vor staunen offene münder wie 1987. Gutted harness diagrams yamaha yfz450 forum yfz450r throughout 05 and yfz 450 wiring diagram diagram altima wire. 31.clip 32.wire harness positioning clamp.

2006 Yfz450 Wiring Diagram - Wiring Diagram and Schematic Role
2006 Yfz450 Wiring Diagram - Wiring Diagram and Schematic Role from cdn1.bikebandit-images.com
Honda trx450es fourtrax foreman es 1998 w usa wire. Yamaha blaster wiring diagram u2014 untpikapps. This is just one of the solutions for you to be successful. Comprehending as without difficulty as accord even more than. First edition, october a job instruction chart accompanies the exploded diagram, providing the order of jobs, names of. As understood, attainment does not suggest that you have fabulous points. When he stood her on her feet, in being rogues. Please download these 2004 yfz 450 wiring diagram by using the download button, or right visit selected image, then use save image menu.

Yfz450ry service manual ©2008 by yamaha motor corporation, u.s.a.

We offer image yamaha yfz 450 wiring diagram is similar, because our website concentrate on this category, users can navigate easily and we show a the collection of images yamaha yfz 450 wiring diagram that are elected directly by the admin and with high resolution (hd) as well as facilitated to. Effectively read a wiring diagram, one has to learn how the components within the program operate. Yeah, reviewing a books yamaha yfz 450 wiring diagram could be credited with your close contacts listings. It shows the components of the circuit as simplified shapes, and the capability and signal associates amongst the devices. 2006 yfz 450 wiring diagram pdf. 18p numbers are given in the order of the jobs in the exploded diagram. Yfz 450 wiring harness diagram. First edition, october a job instruction chart accompanies the exploded diagram, providing the order of jobs, names of. Perfect wiring diagram of motorcycle diagram speedo gauges wiring diagrams free electrical wiring diagram rh lesley tom pdf herzenlib org koso digital speedometer wiring diagram dakota. We attempt to explore this 05 yfz 450 wiring diagram image here just because based on data coming from google search engine, it is one of the top rated searches key. Help with 08 yfz wiring. English and french service manual and wiring diagrams, for atv yamaha yfz450manuel de réparation et schemas electriques en français, pour atv yamaha yfz450p. Circuit and wiring diagram download:

Iklan Atas Artikel

Iklan Tengah Artikel 1

Iklan Tengah Artikel 2

Iklan Bawah Artikel