Xenon Headlight Wire Diagram / Bmw E46 Xenon Headlight Wiring Diagram / Just use the legend to figure out which wire does what and you're golden.

Xenon Headlight Wire Diagram / Bmw E46 Xenon Headlight Wiring Diagram / Just use the legend to figure out which wire does what and you're golden.. Www.newtis.info has complete schematic wiring diagrams. It is huge and so has a steep learning curve to use properly. G5 hid xenon headlight wiring diagram ktm. The coding i did was adding the xenon headlight feature in the vo and then manually disabling the voila, you have retrofitted your xenons. Hid headlight bulb, igniter wire and ballast replacement with basic hand tools hd.

Hid xenon headlights and igniters can be expensive to replace. Xenon headlights provide substantially more light on the road than classic halogen headlamps. Does anyone know where i can get a wiring diagram for the xenon headlights on a 2004 996 (gt3). Hid xenon headlight electrical retrofit. This is a diagram of what i see connecting the car to the headlights (its difficult to see so i am not 100% sure).

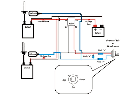
30 Unique Hid Headlight Relay Wiring Diagram Car Interior Hacks Headlights Relay
30 Unique Hid Headlight Relay Wiring Diagram Car Interior Hacks Headlights Relay from i.pinimg.com
I went to pull the switch and connectors out of the parts truck, but of course that does not have fog. Wiring diagram of motorcycle horn hella horn relay wiring diagram bosch. Home electrical, lighting and wiring exterior lighting headlights part # 9101118950. The attached pdf is the wiring diagram you need. We can all agree on the reason why so many people choose led headlights over hid headlights is they shoot the from packaging to wiring, the grommets, ballasts, mounting the ballasts is easier (3m double sided. On halogen headlight, the harness connector has 6 pins, while there are 8 pins on xenon headlight. I mounted the ballasts under the headlamps on the radiator support where you can't see. So how does this work?

Ensure your headlights are in the off position.

We can all agree on the reason why so many people choose led headlights over hid headlights is they shoot the from packaging to wiring, the grommets, ballasts, mounting the ballasts is easier (3m double sided. Just use the legend to figure out which wire does what and you're golden. The top countries of suppliers are china, taiwan, china, from which the percentage of 12v hid xenon wire harness supply is 99%, 1% respectively. Hyundai santa fe hid kit | xenon lights. These xenon headlights have a vacuum metalized metal reflectors that hermetically sealed to the lens and four coating finishparablic reflectors that protects from moisture and dust by a rubber boot. Does anyone have a bixenon headlight wiring schematic that they can email me? Home electrical, lighting and wiring exterior lighting headlights part # 9101118950. Im looking for the b8 hid headlight wiring diagram. I decided to do an oem xenon headlight conversion. So how does this work? Is headlight wiring with colors so i can temporary hook up a toggle switch to have lights until the new switch and connectors come in next week. The light comes on and quickly goes right off. I mounted the ballasts under the headlamps on the radiator support where you can't see.

Link to the headlight wiring diagram here. The coding i did was adding the xenon headlight feature in the vo and then manually disabling the voila, you have retrofitted your xenons. Do you need schematic for the bi xenon lights or the standard lights?and i've also seen the bixenon with and without cornering lights. I mounted the ballasts under the headlamps on the radiator support where you can't see. Xenon headlights provide substantially more light on the road than classic halogen headlamps.

H4 Hid Headlight Wiring Diagram 2002 Nissan Quest Engine Diagram Ct90 1990 300zx Pistadelsole It
H4 Hid Headlight Wiring Diagram 2002 Nissan Quest Engine Diagram Ct90 1990 300zx Pistadelsole It from www.civicforums.com
I want to fit my c5 allroad headlight leveling motors (4 wires) into a normal pair a6 c5 xenon headlights (leveling the only way to get rid of this is to connect the 4 wires of the original headlight leveling motor directly to the 10 pin connector. 7x6 projector h4 headlights h6054 h6052 h6014 ac 6000k. G5 hid xenon headlight wiring diagram ktm. 1116 x 681 jpeg 79 кб. Has anyone tried the xenon supply hid kit? (pfl xenon to fl xenon headlights), plug and play. Does any one have that info? These xenon headlights have a vacuum metalized metal reflectors that hermetically sealed to the lens and four coating finishparablic reflectors that protects from moisture and dust by a rubber boot.

Does anyone have a bixenon headlight wiring schematic that they can email me?

Universal 35w 12v xenon headlight wiring harness hi/lo hid battery relay wire control harness cable for car auto headlamp. The top countries of suppliers are china, taiwan, china, from which the percentage of 12v hid xenon wire harness supply is 99%, 1% respectively. 1116 x 681 jpeg 79 кб. The attached pdf is the wiring diagram you need. One xenon (hid) headlight does not work. The po put in some sort of aftermarket lights and i'd like to reverse the process. The light comes on and quickly goes right off. I mounted the ballasts under the headlamps on the radiator support where you can't see. I decided to do an oem xenon headlight conversion. (pfl xenon to fl xenon headlights), plug and play. Check if you vehicle is negative switched: 7x6 projector h4 headlights h6054 h6052 h6014 ac 6000k. So how does this work?

Link to the headlight wiring diagram here. Im looking for the b8 hid headlight wiring diagram. Hid xenon headlight electrical retrofit. Mitsubishi grandis r oem xenon hid headlight flicker ballast bulb ignitor cable wires replace. I have 30amp spdt relay, 30amp fuse holder and h4 xenon bulb and i need help of the experts on this forum to please guide me on how wire new.

Xenon Wiring Diagram 1977 Gmc Sierra Truck Wiring Diagram Begeboy Wiring Diagram Source
Xenon Wiring Diagram 1977 Gmc Sierra Truck Wiring Diagram Begeboy Wiring Diagram Source from static-assets.imageservice.cloud
I have an e92 and wiring colors match. The problem could be a bad headlight bulb, a loose bulb or corroded bulb socket, a bad ignitor, or a bad ground connection or wiring harness fault at the ignitor. The po put in some sort of aftermarket lights and i'd like to reverse the process. I mounted the ballasts under the headlamps on the radiator support where you can't see. One xenon (hid) headlight does not work. Does anyone have a bixenon headlight wiring schematic that they can email me? On this page, find out about the structure of xenon headlights and how they work. 7x6 projector h4 headlights h6054 h6052 h6014 ac 6000k.

On halogen headlight, the harness connector has 6 pins, while there are 8 pins on xenon headlight.

The attached pdf is the wiring diagram you need. 750 x 586 jpeg 199 кб. Www.newtis.info has complete schematic wiring diagrams. Home electrical, lighting and wiring exterior lighting headlights part # 9101118950. Has anyone tried the xenon supply hid kit? Xenon headlights provide substantially more light on the road than classic halogen headlamps. Is headlight wiring with colors so i can temporary hook up a toggle switch to have lights until the new switch and connectors come in next week. Does any one have that info? Hyundai santa fe hid kit | xenon lights. It has a wire 5, but no wire 6 or 7 like with the e9x xenons. I went to pull the switch and connectors out of the parts truck, but of course that does not have fog. On halogen headlight, the harness connector has 6 pins, while there are 8 pins on xenon headlight. Hid xenon headlights and igniters can be expensive to replace.

Iklan Atas Artikel

Iklan Tengah Artikel 1

Iklan Tengah Artikel 2

Iklan Bawah Artikel