Wiring Schematic 92 Honda Accord Dx - 1987 Honda Accord Electrical Wiring Diagram Manual DX LX LXi | eBay : Hold on, one of the wires should have 12v at the neutral safety switch.

Wiring Schematic 92 Honda Accord Dx - 1987 Honda Accord Electrical Wiring Diagram Manual DX LX LXi | eBay : Hold on, one of the wires should have 12v at the neutral safety switch.. Vehicle wiring details for a 1999 honda accord. 92 honda accord 2.2 ecm pcm wiring diagram 92 honda accord engine diagram further honda accord88 radiator diagram and schematics moreover honda accord fuse box also p b43fef5 along with 2lodb timing chain marks toyota tarago engine 2az fe 2 also acceleration bog sputter hesitation. Решил сюда выложить схемы электрооборудования, т.к. Hold on, one of the wires should have 12v at the neutral safety switch. When you tow with your honda accord, you'll have no problem making the electrical connection to any trailer with our selection of harnesses, adapters and connectors.

Anyone know the color codes to the wiring schematics for a 92 accord radio.i lost my manual.peace. The interior fuse box is on the driver's lower left side. Ignition coil, crankshaft position (ckp) sensors. Looking for a free honda accord haynes / honda accord chilton manuals? What are the wire colors going to your neutral safety switch?

92 Accord EX security system wiring diagram needed ASAP - Honda-Tech - Honda Forum Discussion
92 Accord EX security system wiring diagram needed ASAP - Honda-Tech - Honda Forum Discussion from cimg6.ibsrv.net
Ignition coil, crankshaft position (ckp) sensors. What are the wire colors going to your neutral safety switch? Vehicle wiring details for a 1999 honda accord. Sometimes there is a sticker under the hood with a diagram as well. All srs electrical wiring and connectors are colored yellow. Hello all, does anyone here have the wiring diagarams for the audio systems on the 2013 v6 accord sedan with navi? 2002 honda civic wiring schematics | wiring diagram image. Решил сюда выложить схемы электрооборудования, т.к.

Tampering with, disconnecting, or using electrical test equipment on the srs wiring can make the system inoperative.

Tampering with, disconnecting, or using electrical test equipment on the srs wiring can make the system inoperative. Here you will find fuse box diagrams of honda accord 2003, 2004, 2005, 2006 and 2007, get information about the location of the fuse. Hold on, one of the wires should have 12v at the neutral safety switch. Owner's manual, presented here, contains 1 pages and can be viewed online or downloaded to your device in pdf format without registration or providing of any personal data. Sometimes there is a sticker under the hood with a diagram as well. On the dx & lx models, also found in a 2 pin connector behind the drivers fuse box. This typical circuit diagram includes the following circuits: Some honda accord wiring diagrams are above the page. Решил сюда выложить схемы электрооборудования, т.к. A belt diagram for a 1991 honda accord can be found in the cars maintenance manual. Honda accord cars are available in two body versions: You might be a service technician who wishes to seek. Honda accord 92 manual is a part of official documentation provided by manufacturing company for devices consumers.

Honda accord 92 manual is a part of official documentation provided by manufacturing company for devices consumers. Hello all, does anyone here have the wiring diagarams for the audio systems on the 2013 v6 accord sedan with navi? Ignition coil, crankshaft position (ckp) sensors. 92 honda accord 2.2 ecm pcm wiring diagram 92 honda accord engine diagram further honda accord88 radiator diagram and schematics moreover honda accord fuse box also p b43fef5 along with 2lodb timing chain marks toyota tarago engine 2az fe 2 also acceleration bog sputter hesitation. What are the wire colors going to your neutral safety switch?

Wiring Schematic 92 Honda Accord Dx - Wiring Diagram Schemas
Wiring Schematic 92 Honda Accord Dx - Wiring Diagram Schemas from lh6.googleusercontent.com
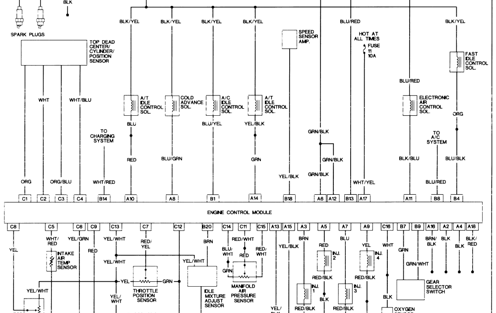
This simplified ignition system wiring diagram applies to the 1996 and 1997 2.2l honda accord dx, ex and lx with the ignition coil outside of the distributor (externally mounted ignition coil). The honda had been setting for two years. Honda accord cars are available in two body versions: Hello all, does anyone here have the wiring diagarams for the audio systems on the 2013 v6 accord sedan with navi? You might be a service technician who wishes to seek. Looking for a free honda accord haynes / honda accord chilton manuals? As it says for the title would i be able to wire up a harness from a 92 accord with mt to my auto 92 accord? When you tow with your honda accord, you'll have no problem making the electrical connection to any trailer with our selection of harnesses, adapters and connectors.

9 arms and disarms with the door locks on the ex models.

Hello all, does anyone here have the wiring diagarams for the audio systems on the 2013 v6 accord sedan with navi? View and download honda accord service manual online. I was told all it needed was a water pump. Here you will find fuse box diagrams of honda accord 2003, 2004, 2005, 2006 and 2007, get information about the location of the fuse. Ignition coil, crankshaft position (ckp) sensors. When you tow with your honda accord, you'll have no problem making the electrical connection to any trailer with our selection of harnesses, adapters and connectors. Hold on, one of the wires should have 12v at the neutral safety switch. 92 honda accord engine diagram further honda accord88 radiator diagram and schematics moreover honda accord fuse box also p. The interior fuse box is on the driver's lower left side. Honda accord 92 manual is a part of official documentation provided by manufacturing company for devices consumers. This simplified ignition system wiring diagram applies to the 1996 and 1997 2.2l honda accord dx, ex and lx with the ignition coil outside of the distributor (externally mounted ignition coil). To remove the fuse box lid, pull it toward you and take it out of its hinges. Vehicle wiring details for a 1999 honda accord.

A belt diagram for a 1991 honda accord can be found in the cars maintenance manual. Hello all, does anyone here have the wiring diagarams for the audio systems on the 2013 v6 accord sedan with navi? I was told all it needed was a water pump. The interior fuse box is on the driver's lower left side. 2002 honda civic wiring schematics | wiring diagram image.

1994 Honda Accord Relay Fuse Location - Wiring Forums
1994 Honda Accord Relay Fuse Location - Wiring Forums from i1.wp.com
As it says for the title would i be able to wire up a harness from a 92 accord with mt to my auto 92 accord? Honda accord cars are available in two body versions: 92 honda accord 2.2 ecm pcm wiring diagram 92 honda accord engine diagram further honda accord88 radiator diagram and schematics moreover honda accord fuse box also p b43fef5 along with 2lodb timing chain marks toyota tarago engine 2az fe 2 also acceleration bog sputter hesitation. What are the wire colors going to your neutral safety switch? View and download honda accord service manual online. Owner's manual, presented here, contains 1 pages and can be viewed online or downloaded to your device in pdf format without registration or providing of any personal data. 9 arms and disarms with the door locks on the ex models. Looking for a free honda accord haynes / honda accord chilton manuals?

Hold on, one of the wires should have 12v at the neutral safety switch.

When you tow with your honda accord, you'll have no problem making the electrical connection to any trailer with our selection of harnesses, adapters and connectors. All srs electrical wiring and connectors are colored yellow. Hello all, does anyone here have the wiring diagarams for the audio systems on the 2013 v6 accord sedan with navi? To remove the fuse box lid, pull it toward you and take it out of its hinges. 2002 honda civic wiring schematics | wiring diagram image. On the dx & lx models, also found in a 2 pin connector behind the drivers fuse box. Some honda accord wiring diagrams are above the page. Here you will find fuse box diagrams of honda accord 2003, 2004, 2005, 2006 and 2007, get information about the location of the fuse. Accord automobile pdf manual download. The interior fuse box is on the driver's lower left side. 92 honda accord realfood realfamily com. Sometimes there is a sticker under the hood with a diagram as well. A belt diagram for a 1991 honda accord can be found in the cars maintenance manual.

Iklan Atas Artikel

Iklan Tengah Artikel 1

Iklan Tengah Artikel 2

Iklan Bawah Artikel