Home
› Illuminated Light Switch Wiring - How To Wire A Light Up Light Switch Creative Wiring Diagram Illuminated Light Switch Refrence ... : An illuminated switch may cause very low wattage lights including leds being controlled to flicker when they should be off.
Illuminated Light Switch Wiring - How To Wire A Light Up Light Switch Creative Wiring Diagram Illuminated Light Switch Refrence ... : An illuminated switch may cause very low wattage lights including leds being controlled to flicker when they should be off.
Illuminated Light Switch Wiring - How To Wire A Light Up Light Switch Creative Wiring Diagram Illuminated Light Switch Refrence ... : An illuminated switch may cause very low wattage lights including leds being controlled to flicker when they should be off.. In modern wiring, a white wire. I am building a lab bench experiment to. Understanding how the switch is wired is the most important part. You cant modify the one you have to reverese the display function. Ed770/1we illuminated mech kit (blue led):
Cooper pilot switch pilot light switches, or indicator light switch, is designed to activate the pilot light when switch is turned on. I am remodeling my basement, currently i have 5 light fixtures and each one has its own switch. To illustrate the wiring of these switches, switch boxes and. Have your wiring long enough to come out of the switch assembly, we will be tapping the 12v and ground wires from the door's wiring. 2 way light switch (3 wire system, new harmonised cable colours).
Leviton Lighted Switch Wiring Diagram - Wiring Diagram from heartwiring.scenedevendome.fr When both toggles are up or both are down, the circuit is complete and the light fixture will be illuminated. Now we need to prepare our light switch and attach the servo so it can be toggled. They are single pole, decorative these switches do not flicker and illuminate properly when there is at least on incandescent lamp being controlled. Learn how to wire a basic light switch and a 3 way switch with our switch wiring guide. You cant modify the one you have to reverese the display function. Alibaba.com offers 2,345 illuminated switch wiring products. A gfci pilot outlet is illuminated when device has power and is protecting from fault. In most cases, two black wires will be attached to the switch's two terminal screws.
The type of switch that will operate hallway lights from either end of the hallway is.
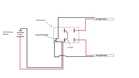
.to understand illuminated rocker switch wiring diagram so no matter what your needs, after reading this, you'll want to put switches on all your leds by these, below is a wiring diagram showing how you would go about wiring this particular rocker light switch, remember to pay careful attention to the. Problem is no matter how i seem to wire it i can't get the light to come and the unit to power on. Do not attempt to diy electrical work unless by law it is legal in your state or country. Dremel out a valley on the opposite side of your drill hole. In most cases, two black wires will be attached to the switch's two terminal screws. To illustrate the wiring of these switches, switch boxes and. The type of switch that will operate hallway lights from either end of the hallway is. To be clear on what i mean, the positive wire connects directly to the dome light (the light is always. You cant modify the one you have to reverese the display function. Now we need to prepare our light switch and attach the servo so it can be toggled. I didn't come up with the idea for this step but borrowed it from this make sure the wire fits snugly inside of the paddle. In modern wiring, a white wire. How to connect multiple light fixtures to one switch?
It has nothing to do with the wiring. These switches need a neutral as well as the raw hot and the switched line. While many home diy warriors choose to tackle the job on their own, a good number also decide that the $145 cost to professionally install a lightswitch is well worth the money. When the ldr is illuminated the resistance of the ldr will decrease and the triac will conduct and the rfc can be made by winding about 15 turns of 18 swg wire over an insulated ferrite rod. Learn how to wire a basic light switch and a 3 way switch with our switch wiring guide.
Lighted Rocker Switch Wiring Diagram from sc01.alicdn.com It has nothing to do with the wiring. Have your wiring long enough to come out of the switch assembly, we will be tapping the 12v and ground wires from the door's wiring. One black wire is the feed wire that brings power into the box. Changing the light switch is a simple and inexpensive diy project. Even the air vent regulators have lights. Legrand gear as follows, light switch: A wide variety of illuminated switch wiring options are available to you, such as insulation material, conductor material, and conductor type. Illuminated rocker switches have a built in light to provide indication of your circuit operation.
A gfci pilot outlet is illuminated when device has power and is protecting from fault.
Illuminated rocker switches have a built in light to provide indication of your circuit operation. The type of switch that will operate hallway lights from either end of the hallway is. One black wire is the feed wire that brings power into the box. Changing the light switch is a simple and inexpensive diy project. Problem is no matter how i seem to wire it i can't get the light to come and the unit to power on. When these are closed they will be shorted and. I didn't come up with the idea for this step but borrowed it from this make sure the wire fits snugly inside of the paddle. Even the air vent regulators have lights. Understanding the basic light switch for home electrical wiring. This switch is often used as a navigation/anchor light switch on a boat… see below for a wiring diagram of that specific configuration finally we have a wiring diagram for how to back light illuminated carling rocker switches in a rocker switch panel. Notch out a valley on the outer part of the. When both toggles are up or both are down, the circuit is complete and the light fixture will be illuminated. Get free shipping on qualified illuminated light switches or buy online pick up in store today in the electrical department.
A wide variety of illuminated switch wiring options are available to you, such as insulation material, conductor material, and conductor type. How to connect multiple light fixtures to one switch? It has nothing to do with the wiring. Legrand gear as follows, light switch: Illuminated rocker switches have a built in light to provide indication of your circuit operation.
19 Beautiful Lighted Toggle Switch Diagram from stickerdeals.net A gfci pilot outlet is illuminated when device has power and is protecting from fault. Have your wiring long enough to come out of the switch assembly, we will be tapping the 12v and ground wires from the door's wiring. Get free shipping on qualified illuminated light switches or buy online pick up in store today in the electrical department. In most cases, two black wires will be attached to the switch's two terminal screws. You need a pilot light switch rather than an illuminated switch. Legrand gear as follows, light switch: When these are closed they will be shorted and. Discussion in 'lighting' started by adamw, mar 22, 2012.
To be clear on what i mean, the positive wire connects directly to the dome light (the light is always.
I am remodeling my basement, currently i have 5 light fixtures and each one has its own switch. An illuminated switch may cause very low wattage lights including leds being controlled to flicker when they should be off. Even the air vent regulators have lights. Three wires are connected to the switch. Dremel out a valley on the opposite side of your drill hole. Alibaba.com offers 2,345 illuminated switch wiring products. Look at rcbs's illuminated 4x4 switch, he shows a good way to make a switch illuminate with the dash lights and you can use that to illuminate the switch. I have a 12 volt illuminated rocker/toggle switch that i'm trying to hook up to a 12 volt dome light. The type of switch that will operate hallway lights from either end of the hallway is. A gfci pilot outlet is illuminated when device has power and is protecting from fault. It just needs power connected to it, and the way the switch is made it makes it come on when its in the off position. You cant modify the one you have to reverese the display function. I don't know a single switch/button that isn't illuminated.