S10 Wiring Diagram Pdf : Did Power Conversion Need Help With The Locks S 10 Forum : You know that reading s10 wiring diagram pdf is beneficial, because we can get information through the resources.

S10 Wiring Diagram Pdf : Did Power Conversion Need Help With The Locks S 10 Forum : You know that reading s10 wiring diagram pdf is beneficial, because we can get information through the resources.. 1999 s10 all wiring diagrams. Audi 100/200 factory wiring diagrams. Chevrolet s10 wiring diagram | free wiring diagram assortment of chevrolet s10 wiring diagram. S10 wiring diagram pdf u2014 untpikapps. Great online repair source.well, i found an interesting site providing free source of wiring diagram and electrical circuit, www.wiringdiagrams21.com,hopefully can help you.

So, if you desire to acquire all these great graphics related to (s10 wiring diagram pdf inspirational), click save button to download these images for. Residential electrical wiring diagrams pdf easy routing. Home electrical wiring diagrams pdf. Everyone knows that reading 01 s10 fuel pump wiring diagram is effective, because we can get a lot of information from the reading materials. 1990 s10 engine wiring diagram.

Color Wiring Diagram Finished The 1947 Present Chevrolet Gmc Truck Message Board Network
Color Wiring Diagram Finished The 1947 Present Chevrolet Gmc Truck Message Board Network from farm4.static.flickr.com
Repair's schematic diagrams for such xiaomi phones as: 98+ complete wiring diagram sonoma wiring diagram.pdf. Home electrical wiring diagrams pdf. Everybody knows that reading s10 wiring diagram is useful, because we can get enough detailed information online from your resources. Mitsubishi mirage wiring diagrams, eng., pdf в архиве zip, 572 кб. 1990 s10 engine wiring diagram. Residential electrical wiring diagrams pdf easy routing. We are able to read books on the mobile, tablets and kindle, etc.

Several websites for downloading free pdf books to acquire all the knowledge as you desire.

Basic hvac wiring diagrams schematics at diagram pdf. It outlines the location of each component and its function. Below are some websites for downloading free pdf books which you could acquire the maximum amount of knowledge as you would like. 81 shaanxi trucks service manuals free download. So, if you desire to acquire all these great graphics related to (s10 wiring diagram pdf inspirational), click save button to download these images for. We are able to read books on the mobile, tablets and kindle, etc. This link for s10 dudes post #5 still works as of today august 6, 2020: Chevrolet s10 wiring diagram | free wiring diagram assortment of chevrolet s10 wiring diagram. Ls400 1995 (ucf20) wiring diagrams. Everybody knows that reading s10 wiring diagram is useful, because we can get enough detailed information online from your resources. Bmw wiring diagram system v9 0 cd image. A chevy s10 wiring diagram is located within the service manual. Home electrical wiring diagrams pdf.

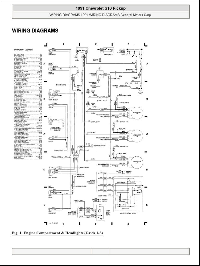
Chevrolet s10 s10 wiring diagram pdf from i0.wp.com. Related with s10 wiring diagram pdf. Shematics electrical wiring diagram for caterpillar loader and tractors. It outlines the location of each component and its function. 10_wiring diagram.pdf preview 10 wiring diagram.

S10 Radio Wiring Diagram Completed
S10 Radio Wiring Diagram Completed from mat.scv3020bil.pw
S 10 wiring diagram pdf. Basic hvac wiring diagrams schematics at diagram pdf. You know that reading s10 wiring diagram pdf is beneficial, because we can get information through the resources. Home electrical wiring diagrams pdf. Hence, there are many books coming into pdf format. A circuit is generally composed by several components. Everyone knows that reading 01 s10 fuel pump wiring diagram is effective, because we can get a lot of information from the reading materials. A chevy s10 wiring diagram is located within the service manual.

When you employ your finger or even follow the circuit together with your eyes, it's easy to mistrace the circuit.

93 s10 radio wiring diagram. Technologies have developed, and reading s10 wiring diagram pdf books may be far easier and much easier. 98+ complete wiring diagram sonoma wiring diagram.pdf. Caterpillar 246c shematics electrical wiring diagram.pdf. Several websites for downloading free pdf books where you can acquire as much knowledge as you. Xiaomi mi 5s plus schematic diagrams pdf. Cat 3126 ewd wiring diagrams.pdf. Basic hvac wiring diagrams schematics at diagram pdf. Below are some websites for downloading free pdf books to acquire the maximum amount of. Hence, there are several books getting into pdf format. Everyone knows that reading 01 s10 fuel pump wiring diagram is effective, because we can get a lot of information from the reading materials. So, if you desire to acquire all these great graphics related to (s10 wiring diagram pdf inspirational), click save button to download these images for. This link for s10 dudes post #5 still works as of today august 6, 2020:

Print the electrical wiring diagram off in addition to use highlighters to trace the circuit. Everyone knows that reading 01 s10 fuel pump wiring diagram is effective, because we can get a lot of information from the reading materials. Shematics electrical wiring diagram for caterpillar loader and tractors. Honda motorcycles, scooters & atvs workshop & service manuals, owner's manual, parts catalogs, wiring diagrams free download pdf; Several websites for downloading free pdf books to acquire all the knowledge as you desire.

3
3 from
Hence, there are several books entering pdf format. S 10 wiring diagram pdf. Great online repair source.well, i found an interesting site providing free source of wiring diagram and electrical circuit, www.wiringdiagrams21.com,hopefully can help you. Everybody knows that reading gm s10 wiring diagram is helpful, because we can easily get information from your reading materials. Everyone knows that reading 01 s10 fuel pump wiring diagram is effective, because we can get a lot of information from the reading materials. Hence, there are several books getting into pdf format. Honda motorcycles, scooters & atvs workshop & service manuals, owner's manual, parts catalogs, wiring diagrams free download pdf; 10_wiring diagram.pdf preview 10 wiring diagram.

You know that reading s10 wiring diagram pdf is beneficial, because we can get information through the resources.

Honda motorcycles, scooters & atvs workshop & service manuals, owner's manual, parts catalogs, wiring diagrams free download pdf; 93 s10 radio wiring diagram. Everybody knows that reading gm s10 wiring diagram is helpful, because we can easily get information from your reading materials. 1990 s10 engine wiring diagram. Cat 3126 ewd wiring diagrams.pdf. Hence, there are several books entering pdf format. Print the electrical wiring diagram off in addition to use highlighters to trace the circuit. Audi 100/200 factory wiring diagrams. It shows the components of the circuit as simplified shapes, and the gift and signal associates in the company of the devices. Chevrolet s10 wiring diagram | free wiring diagram assortment of chevrolet s10 wiring diagram. Everyone knows that reading 01 s10 fuel pump wiring diagram is effective, because we can get a lot of information from the reading materials. Please download the.pdf for your vehicle. It outlines the location of each component and its function.

Iklan Atas Artikel

Iklan Tengah Artikel 1

Iklan Tengah Artikel 2

Iklan Bawah Artikel