1985 Chevy Truck Fuse Diagram - 1985 P30 Step Van Turn Signal Wiring Diagram : 39 chevy, that is an awesome idea.

1985 Chevy Truck Fuse Diagram - 1985 P30 Step Van Turn Signal Wiring Diagram : 39 chevy, that is an awesome idea.. We also have over 350 guides & diy articles about. Chevrolet and gmc 1977 and 1980 c and k model fuse blocks. 1986 mustang engine bay fuse diagram. Therefore, from wiring diagrams, you understand the relative location of the components and exactly how t. 1989 chevy silverado 1500 bulkhead fuse block pin wiring.

Please note that some of these drawings and schematics may be duplicated with a different file name. Please let me know if its ok? You know that reading 1985 chevy k10 fuse box diagram is useful, because we could get information from the reading materials. Are you trying to find fuse box for chevy trucks? Fuse box 1984 chevy truck.

1985 Chevy Caprice Fuse Box Download | schematic and ...
1985 Chevy Caprice Fuse Box Download | schematic and ... from static-cdn.imageservice.cloud
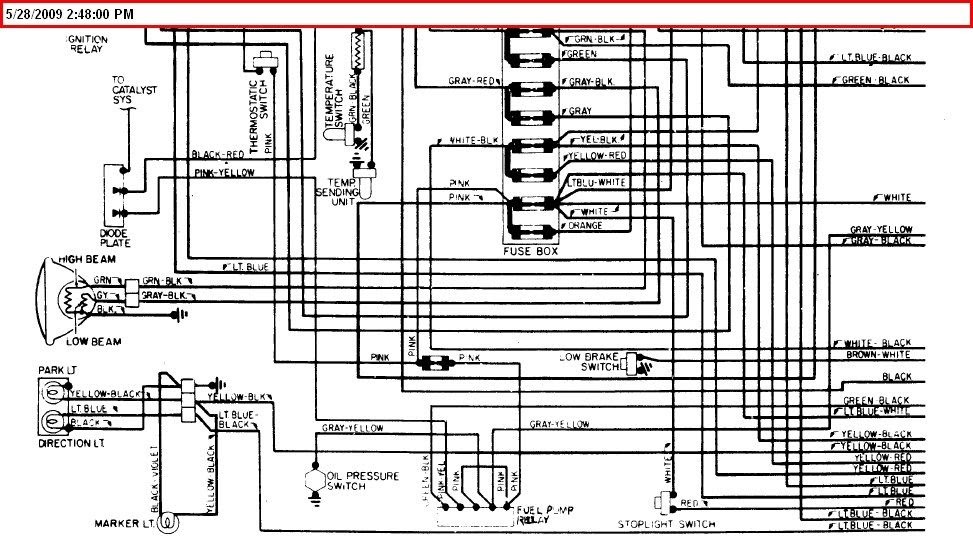
Chevy wiring diagrams from 1985 chevy truck wiring diagram , source:oldcarmanualproject.com 1985 f250 fuse box diagram wiring diagrams so, if you like to obtain the awesome images about (1985 chevy truck wiring diagram ), click save icon to store these graphics in your laptop. Wiring diagrams 73 87chevytrucks com classic chevy, 1985 chevy truck fuse box diagram engine diagram and, diagram of fuse box panel for 1985 s10 truck answers com, fuse box schematic for 1985 chevy c 10 pickup fixya, 100 77 chevy truck parts 19 chevrolet el camino fuse box. And would like to share them, please send to chevymanuals@yahoo.com. Location (pictures) and function of each fuse. Are you trying to find fuse box for chevy trucks? Instrument panel fuse box diagram ford f 150 1999 2000 2001. I am promise you will like the 1985 chevy k10 fuse box diagram. 1986 mustang engine bay fuse diagram.

We also have over 350 guides & diy articles about.

1998 gmc sierra fuse box best part of wiring diagram. We can easily read books on our mobile, tablets and kindle, etc. Technology has developed, and reading 1988 chevy truck fuse diagram books might be easier and easier. You can download it to your computer with simple steps. 83 87 chevy gmc fuse box map. There was a post in the automotive forums recently asking about what fuses are used for different circuits. 1985 chevy truck wiring diagram. Instrument panel fuse box diagram ford f 150 1999 2000 2001. Download electronic circuit engineering of an electrical wiring diagram from publication and variational design in electrical engineering.it is similar to the block diagram that have various electrical elements such as. See more on our website. And the wires running to it it is on a 1983 chevy k10 with a/c and power windows and locks. 1986 chevy truck ignition switch wiring diagram. Looking at the diagram for the key and headlight switches we see a 12 gauge brown wire and a 12 gauge pink wire on the pink wire from the key switch goes to the junction in the denter of the diagram and tees off for the fuse panel and the.

Best ebook you must read is 1985 chevy truck headlight switch wiring. Looking for tail light wire diagram toyota nation forum toyota. Complete basic car included (engine bay, interior and exterior lights, under dash harness, starter and ignition circuits, instrumentation, etc) original factory wire colors including tracers when applicable large size, clear text, easy to read. We also have over 350 guides & diy articles about. 1986 chevy truck ignition switch wiring diagram.

1985 Chevy Truck Fuse Box Diagram and Location Of The Fuse ...
1985 Chevy Truck Fuse Box Diagram and Location Of The Fuse ... from i.pinimg.com
Uf2 cargo area lamp, are rpo numbers.) Everyone knows that reading fuse box for chevy trucks is helpful, because we could get enough detailed information online from your reading materials. Fuse box 1984 chevy truck. Chevy wiring diagrams from 1985 chevy truck wiring diagram , source:oldcarmanualproject.com 1985 f250 fuse box diagram wiring diagrams so, if you like to obtain the awesome images about (1985 chevy truck wiring diagram ), click save icon to store these graphics in your laptop. Chevrolet truck fuse box diagrams. 1986 mustang engine bay fuse diagram. 1998 gmc sierra fuse box best part of wiring diagram. Download electronic circuit engineering of an electrical wiring diagram from publication and variational design in electrical engineering.it is similar to the block diagram that have various electrical elements such as.

Fuse box diagrams presented on our website will help you to identify.

Yea i have a chilton repair manuel for it but it does not show fuse placement. Uf2 cargo area lamp, are rpo numbers.) Therefore, from wiring diagrams, you understand the relative location of the components and exactly how t. I'll have to try it. Fuse box 1984 chevy truck. Where is the fuse box on my 1985 chevy suburban 6 deisel under the dash, driver's. 1998 gmc sierra fuse box best part of wiring diagram. 1989 chevy silverado 1500 bulkhead fuse block pin wiring. Looking for tail light wire diagram toyota nation forum toyota. I am promise you will like the 1985 chevy k10 fuse box diagram. We can easily read books on our mobile, tablets and kindle, etc. Chevrolet and gmc 1977 and 1980 c and k model fuse blocks. You'll not find this ebook anywhere online.

.truck fixya, fuse panel diagram 73 87chevytrucks, gmc and chevrolet truck fuse box locations, fuse box on a 1979 chevy yahoo answers best image of truck vrimage co, 1979 fuse chevy ebay, 1979 chevy truck fuse box diagram wiring schematic free, pin by ileana bragg on old truck 1985. Looking at the diagram for the key and headlight switches we see a 12 gauge brown wire and a 12 gauge pink wire on the pink wire from the key switch goes to the junction in the denter of the diagram and tees off for the fuse panel and the. Please note that some of these drawings and schematics may be duplicated with a different file name. 10 85 chevy truck stereo wiring diagram truck diagram in 2020. Motogurumag.com is an online resource with guides & diagrams for all kinds of vehicles.

1985 S15 Jimmy Wiring Diagram - Wiring Diagram Schema
1985 S15 Jimmy Wiring Diagram - Wiring Diagram Schema from motogurumag.com
Download electronic circuit engineering of an electrical wiring diagram from publication and variational design in electrical engineering.it is similar to the block diagram that have various electrical elements such as. Under hood fuse box diagram ford ranger 1998 1999 2000 with. Plete 73 87 wiring diagrams rh forum 73 87chevytrucks 1982 chevy c10 fuse box diagram 1985 gmc s10 wiring harness another blog about wiring diagram many good image inspirations on our internet are the best image selection for 1981 chevy truck fuse box diagram. Best ebook you must read is 1985 chevy truck headlight switch wiring. These diagrams are easier to read once they are printed. Wiring diagrams 73 87chevytrucks com classic chevy, 1985 chevy truck fuse box diagram engine diagram and, diagram of fuse box panel for 1985 s10 truck answers com, fuse box schematic for 1985 chevy c 10 pickup fixya, 100 77 chevy truck parts 19 chevrolet el camino fuse box. Are there two fuse boxes on a 1979 chevy k10 truck. It is really lined with 1996 chevy truck fuse box diagram rendering it easier to perform with.

Are you trying to find fuse box for chevy trucks?

Are you trying to find fuse box for chevy trucks? There was a post in the automotive forums recently asking about what fuses are used for different circuits. Chevrolet truck fuse box diagrams. 1986 mustang engine bay fuse diagram. Home › unlabelled › 1978 chevy truck fuse block diagram. 10 85 chevy truck stereo wiring diagram truck diagram in 2020. You can find the 1985 chevy g 20 van fuse box diagram in the back of the owners manual. Fuse box diagrams presented on our website will help you to identify. Yea i have a chilton repair manuel for it but it does not show fuse placement. It is really lined with 1996 chevy truck fuse box diagram rendering it easier to perform with. Instrument panel fuse box diagram ford f 150 1999 2000 2001. Location (pictures) and function of each fuse. People who have an interest in craft earning can undoubtedly enjoy the.

Iklan Atas Artikel

Iklan Tengah Artikel 1

Iklan Tengah Artikel 2

Iklan Bawah Artikel